MPR-Stützstreben Typ S+

MPR-Stützstrebe Typ S+, für Profile 41/41-41/124, Länge 440 mm, feuerverzinkt

Art.-Nr.: 165866
Länge: 440 mm
Abgabeeinheit: 1 Stück
Gewicht/ME: 1,101 kg
Stück

Anwendung

  • Stützstrebe zum Aussteifen von Eckverbindungen bei Konstruktionen aus MPR-Systemschienen in Verbindung mit dem MPR-Verbindungsschloss Typ S+
  • Auch zur seitlichen Abstützung von Konsolen, z.B. beim Einsatz mit Festpunkten
  • Einsatzgebiet im Innen- und Außenbereich

Ihre Vorteile

  • Einfache Verbindung mit den MPR-Systemschienen durch Montage mit dem MPR-Verbindungsschloss Typ S+
  • Verschiedene Längen verfügbar für unterschiedliche bauseitige Einbaubedingungen
Kurzbeschreibung
MPR-Stützstrebe Typ S+, für Profile 41/41-41/124, Länge 440 mm, feuerverzinkt
Schienensysteme
für MPR-Profile
Produkttyp
Schnellmontage Typ S+
Für Profile
41/21-41/124
Material
Stahl
Oberfläche
feuerverzinkt
DNV Zulassung
Ja
Länge
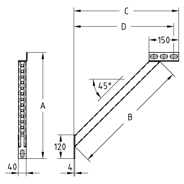
440 mm
Maß B
440 mm
Maß A
420 mm
Maß D
380 mm
Max. empfohlene Belastung Wandmontage
3.500 N
Max. empfohlene Belastung Montage im Schienenschlitz
3.000 N
Zolltarifnummer
73269060
eCl@ss 7.1
23-15-92-90
eCl@ss 11.1
23-36-02-90
Weitere technische Details finden Sie im Datenblatt.