MPT-3D-Verbinder

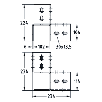
MPT-3D-Eckverbinder für Tragprofil Q100, feuerverzinkt

Art.-Nr.: 176740
Ausführung: MPT-Eckverbinder
Abgabeeinheit: 1 Stück
Gewicht/ME: 4,836 kg
Stück

Anwendung

  • Verbindungselemente für dreidimensionale Rahmenkonstruktionen und Schienenkonstruktionen in der schweren Haustechnik, im Industrie- und Anlagenbau

Ihre Vorteile

  • Einfache und schnelle Montage von dreidimensionalen Verbindungen in Kombination mit den MPT-Hammerkopfschrauben
  • Schnelle Profilausrichtung
  • Zeit- und Kostenersparnis dank einfacher Handhabung und Montage auf der Baustelle
  • Hochwertige Feuerverzinkung für universellen Einsatz im Außen- und Innenbereich
Kurzbeschreibung
MPT-3D-Eckverbinder für Tragprofil Q100, feuerverzinkt
Schienensysteme
für MPT-Profile
Ausführung
MPT-Eckverbinder
Produkttyp
Anbindungsteile
Für Profile
Q100-2,5, Q100-3,5
Material
Stahl
Oberfläche
feuerverzinkt
Zolltarifnummer
73089059
eCl@ss 7.1
23-15-92-90
eCl@ss 11.1
23-36-02-90
Weitere technische Details finden Sie im Datenblatt.