Stützkrafthülse

Stützkraft-Hülse für Schiebeschlitten 2,3 kN, verzinkt

Art.-Nr.: 181090
Abgabeeinheit: 1 Stück
Gewicht/ME: 0,220 kg
Stück

Anwendung

  • Verstärkung von Gewindestiften in Schiebeschlitten-Anwendungen
  • Verstärkung von Gewindestiften in Festpunkt-Anwendungen
  • Verwendbar mit Gewindestiften M10 und M12

Ihre Vorteile

  • Perfekte Ergänzung für Schiebeschlitten 2,3 kN: sorgt für eine deutlich verbesserte Kraftübertragung und Stabilität
  • Auch kombinierbar mit dem Rohrleitungsfestpunkt 27 dB(A)
  • Hohe Stützkraft bei kompakter Bauweise
  • Reduzierung der Biegebeanspruchung
  • Innengewindefrei für vielseitige Einsatzmöglichkeiten
Kurzbeschreibung
Stützkraft-Hülse für Schiebeschlitten 2,3 kN, verzinkt
Produkttyp
Zubehör Festpunkte und Lospunkte
Oberfläche
verzinkt
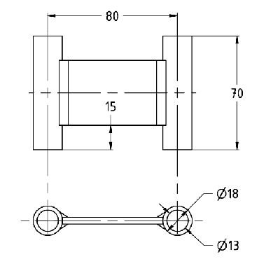
Höhe
70 mm
Außendurchmesser
18 mm
Innendurchmesser
13 mm
Zolltarifnummer
73259910
Weitere technische Details finden Sie im Datenblatt.